??WiFi?????????????????
??????????????????????????Χ?????????????????????磬??????????????????£?????????????????????????????????
???????г?????????????????????????????????????????WiFi?????????????WiFi????????????????????????????????????????????????????????????????????????????????????ó????????????????????????????????WiFi????????????????1

?? ????????????????????????????????????????ú????????????????????????????????????????????????????????????з???????????????????赲??????????????????????????????????????????????????????????????????Ч???У????????????????????н???????????????????????y?Σ??????????????????????????????μ???????Σ????????????????????????書?????????????????????????????????????ú????????????Щ??????????????θ????????????????????????????????????????????????????????????????????Ч???????????????????????????????????壬?????????????????豸????????????????????κ???????????λ?á??????????????????????Ч???????????????????????豸?????????????y??????????????????????????????м??к???????????????????????????????????ú???????????С?????Щ????????????????????????????????鳡????????????????????????ü?????????????????????е????Ч????????????????β?????????????????????????β?????????в????????????????????????????????????????????????Ч?????????????????????????????е???????????ú??????????????????????????????????????????????г???????????????????????????????????????????????????????????貼?????????????????????????
???????????????????????????????????WiFi???????????????????????????????????????????????£?
????WiFi????壺
????WiFi(WireleSS Fidelity)???????IEEE802.11b?????????????"?????????????????"(Wireless Ethernet Compatibility Alliance?? WECA)?????????????????????????"???????????"?????????????????似????????????????????????????????????????????????????????IEEE802.11a??IEEE802.11g??????????????IEEE802.11?????????WiFi??
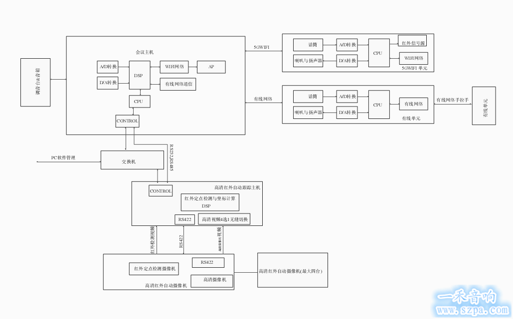
?????????WiFi?????????????????(?????)??

????1??????32 bit????DSP(digital signal processing)??????????????????????????????????????????
?????????????????????????????????????????????????????????????????????????緋??????????????????????????????????????????????????????棬DSP?????????????????????????????????????????0??1???????????????????????????????????????????????о??а?????????????????????????????????????????п????????????????????????????????????????????????????????????????????????????????????????????о??????????????????????????????????????ó?????????????
????2???????????????????5GWiFi?????????????
????WiFi???????????????????????????
?????????802.11??1997??????????????2.4GHz?????2Mbit/s;
?????????802.11b?????????2.4GHz?????11Mbit/s?????????;
??????????802.11g/a???????????2.4GHz??5GHz?????54Mbit/s;
?????????802.11n??????????2.4GHz??5GHz??20??40MHz?????????72??150Mbit/s;
?????????802.11ac?????????5GHz;
??????WiFi????????????????????WiFi????????????????????????????????????????????2.4GHz?????????5GHz????????WiFi???????????y?????????????????????????????????????WiFi????? 2.4GHz?????????????5GHz??Ρ?
????2.1??WiFi2.4GHz????????????
????2.4GHz??WiFi?????????????????????????2.4GHz??ISM??Σ??????????????????????????????;?????ε?????????踶?????????????п???????????????Wi-Fi????2.4GHz????У???????????????13????????????????????????3???????糣???1??6??11????????1?????6??WLAN??????????????????????1?????2???????????????????????????????????????????????????????????????????

???????????е?????豸??????2.4GHz???????????????????С?????????????????????????????????????????????????????????????????????????????????????????????????????????????????????WiFi???y??????????????
????????2.4GHZ????????????????????????????????????????????????????????????CREATOR??????????WiFi????????????????????????????????С??????????·????5G WiFi??
????2.2??5GHz?????????????????????????????????
????5GHz??????UNII????????Σ???5.1??5.8GHz???и?????????????WiFi?????????300Mbps????????????????36MB?????????5GHz????????????????????????????????40MHz????80MHz????????????????????????1Gbps????????????125MB???????????5GHz??ε???????????????????5GHz??ε?WiFi???2.4GHz??ε??????50%????????????????????????????????????????????????????????????????????????棬48K???????????20Hz-20Kz???????????
????5GHz?????????????????y???????????????????????????????????5GWiFi?????????????????????????????????????????????м???????????????????????????

????3?????????????????WAP2??????????????????????????????????????鰲??????????????????????
????WPA?????????Э??(Wireless Application Protocol)???????????????????淶????WPA??WPA2?????????????????????????(WiFi)????????????????????????????WPA2????????????????????TKIP????????AES???????????AES????????????????????????????????????128??192??256λ???????????128λ(16???)???????????????????????????????????????????????????????????????????????????????????????????????λ????????????????????????????????????????????????????(permutations)???滻(substitutions)?????????"??????????"??4?????????£?WPA2-PSK(AES)??????????????????淶????????????????????????????????CREATOR??????μ?5GWiFi??????????????WPA2-PSK(AES)????????
????4??WiFi??????????з???????????????????????????
?????????????????????з???????????????????塢????????????????????????????????????????????????????????????????????????????????????????????????????????????????????????????????????????????????????????????????????????????

????5???????????е?????????????????????????λ??????????????????????????????б?????????????WiFi??????鵥?????????????????????????????????????????????????????????????????????????????????

???????
- ???????????????
- 4D??????????????
- ????????????
- ?????????????????????
- ???????豸?????????
- ??????????????
- ???????????????????о?
- ????????????????
- ?????е???????????????
- ????????????????е?????
- ????ж??????????????
- ??????????????????????
- 5D???????????
- ???????????????
- ???????????????
- ??????????α?????
- ????豸?????????豸???????÷???????









